Ticker

6/recent/ticker-posts

Advertisement

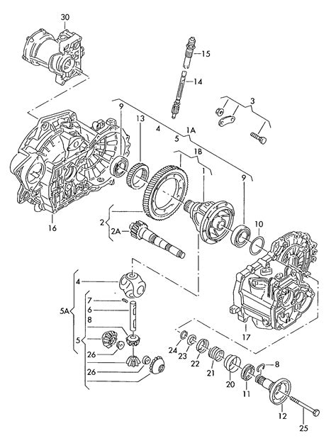
Download Vw Jetta Manual Transmission 2009 Diagram

Currently you are looking for an Vw Jetta Manual Transmission 2009 Diagram example of which we provide here inside some type of document formats such as PDF, Doc, Strength Point, and in addition images of which will make it simpler for you to create an Vw Jetta Manual Transmission 2009 Diagram yourself. For a more clear look, you can open a few examples below. All the good examples about Vw Jetta Manual Transmission 2009 Diagram about this website, we get from several sources so you can create a better document of your own.

When the search you get here does not match up what you are seeking for, please utilize the research feature that we have got provided here. You will be free to download anything at all that we provide here, investment decision you won't cost you the slightest.

DOWNLOAD HERE

We all know that reading Vw Jetta Manual Transmission 2009 Diagram is effective, because we could get enough detailed information online from your resources. Technology has developed, and reading Vw Jetta Manual Transmission 2009 Diagram books might be far easier and much easier. We can read books on our mobile, tablets and Kindle, etc. Hence, there are lots of books entering PDF format.

Right here websites for downloading free PDF books to acquire as much knowledge as you want. Nowadays everybody, young and aged, should familiarize themselves with the growing eBook industry. Ebooks and eBook readers provide substantial benefits over traditional reading. Ebooks reduce down on the make use of of paper, as advocated by environmental enthusiasts. There are no fixed timings for study. There is no question of waiting-time for new editions. There is no transportation to be able to the eBook shop. The books in an eBook go shopping can be downloaded instantly, sometimes for free, occasionally for any fee.

Not just that, the online variation of books are typically less expensive, because publication homes save their print plus paper machinery, the rewards of which are passed on to customers. Further, the reach of the e book shop is immense, enabling an individual living in Quotes to source out to be able to a publication house inside Chicago. The newest craze in the online e book world is actually are called eBook libraries, or e book packages. An eBook bundle is something remarkable. It consists of a large number of ebooks included together that are not really readily available at one solitary place. So instead associated with hunting down and acquiring, say 100 literary timeless classics, you can aquire an eBook bundle which contains all these types of ebooks bundled together. These eBook libraries typically offer you a substantial savings, plus are usually offered inside a number of formats to suit your brand of eBook reader. Large companies, such because Amazon or Barnes and Noble, tend to not really carry these eBook libraries. If you want to be able to buy one of these libraries, you will have to be able to find independent eBook shops. These independent eBook shops typically package the e book libraries by genre, plus have a wide selection of genres.