Ticker

6/recent/ticker-posts

Advertisement

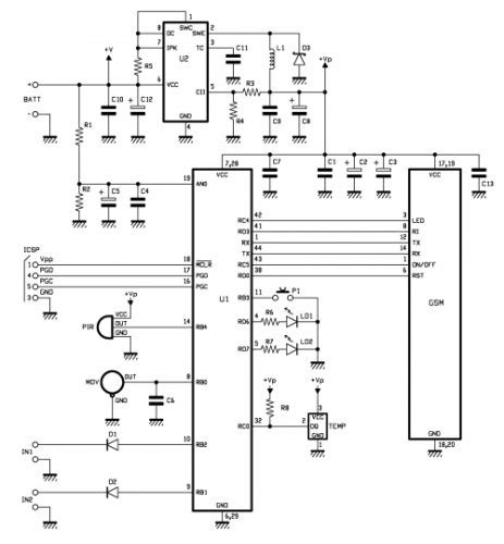
Download Electrical Circuit Diagram Manual S08322

Presently you are looking regarding an Electrical Circuit Diagram Manual S08322 example that will we provide here in some type of document formats many of these as PDF, Doc, Energy Point, as well as images that will will make it simpler for you to create an Electrical Circuit Diagram Manual S08322 yourself. For a better look, you are able to open several examples below. All of the examples about Electrical Circuit Diagram Manual S08322 on this web site, we get from a number of sources so you could create a better record of your own.

In case the search you obtain here does not complement what you are seeking for, please use the search feature that we have got provided here. You will be free to download anything at all that we provide here, expense cost you the slightest.

DOWNLOAD HERE

Everyone knows that reading Electrical Circuit Diagram Manual S08322 is useful, because we could get enough detailed information online through the resources. Technology has developed, and reading Electrical Circuit Diagram Manual S08322 books may be far easier and simpler. We can easily read books on the mobile, tablets and Kindle, etc. Hence, there are several books coming into PDF format.

Listed below are some websites for downloading free PDF books which you could acquire just as much knowledge as you desire. Nowadays everybody, young and aged, should familiarize themselves along with the growing eBook business. Ebooks and eBook readers provide substantial benefits over traditional reading. Ebooks reduce down on the make use of of paper, as recommended by environmental enthusiasts. There are no fixed timings for study. There is usually no question of waiting-time for new editions. There is no transportation to the eBook shop. Typically the books in an eBook go shopping can be downloaded quickly, sometimes for free, occasionally to get a fee.

Not merely that, the online version of books are typically cheap, because publication houses save their print plus paper machinery, the advantages of which are given to to customers. Further, the reach of the eBook shop is immense, permitting someone living in Australia to source out to a publication house in Chicago. The newest phenomenon in the online eBook world is actually are called eBook libraries, or eBook packages. An eBook package deal is something out of the ordinary. It consists of a big number of ebooks bundled up together that are not really readily available at one individual place. So instead of hunting down and buying, say 100 literary timeless classics, you can buy an eBook package deal which contains all these kinds of ebooks bundled together. These eBook libraries typically offer a substantial savings, plus are usually offered in a variety of formats to match your brand of eBook reader. Large companies, such since Amazon or Barnes and Noble, tend to not really carry these eBook your local library. If you want to buy one of these your local library, you will have to find independent eBook stores. These independent eBook stores typically package the eBook libraries by genre, plus have an assortment of genres.